公団桝・公団半桝・公団枠・公団蓋
製品リスト
Product
公団桝・公団半桝・公団枠・公団蓋
◆公団桝
|
|
![]() |
| 呼び名 | a(mm) | b(mm) | h(mm) | t(mm) | 重量(kg) |
| 300x300 | 300 | 500 | 300 | 100 | 104 |
| 450x450 | 450 | 650 | 300 | 100 | 143 |
| 600x600 | 600 | 800 | 300 | 100 | 173 |
| 750x750 | 750 | 990 | 300 | 120 | 245 |
| 900x900 | 900 | 1140 | 450 | 120 | 429 |
◆公団桝半桝
|
|
![]() |
| 呼び名 | a(mm) | b(mm) | h(mm) | t(mm) | 重量(kg) |
| 300x300 | 300 | 500 | 150 | 100 | 56 |
| 450x450 | 450 | 650 | 150 | 100 | 78 |
| 600x600 | 600 | 800 | 150 | 100 | 99 |
| 750x750 | 750 | 990 | 150 | 120 | 147 |
| 900x900 | 900 | 1140 | 225 | 120 | 257 |
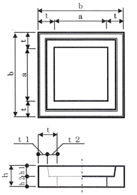
◆公団枠
|
|
![]() |
※表は横にスクロールできます
| 呼び名 | a(mm) | b(mm) | h(mm) | h1(mm) | h2(mm) | t(mm) | t1(mm) | t2(mm) | 重量(kg) |
| 300用 | 300 | 550 | 175 | 100 | 75 | 125 | 60 | 65 | 66 |
| 450用 | 450 | 700 | 175 | 100 | 75 | 125 | 60 | 65 | 90 |
| 600用 | 600 | 850 | 175 | 100 | 75 | 125 | 65 | 60 | 112 |
| 750用 | 750 | 1010 | 175 | 100 | 75 | 130 | 55 | 75 | 145 |
| 900用 | 900 | 1200 | 200 | 100 | 100 | 150 | 82 | 68 | 242 |
※表は横にスクロールできます
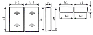
◆公団蓋(2枚組)
|
|
![]() |
※表は横にスクロールできます
| 呼び名 | a1(mm) | a2(mm) | b1(mm) | b2(mm) | t(mm) | 重量(kg) |
| 300用 (コノ字ボルト2個付) |
415 | 405 | 206 | 201 | 100 | 19x2 |
| 450用 (コノ字ボルト4個付) |
575 | 555 | 286 | 276 | 100 | 35x2 |
| 600用 (コノ字ボルト4個付) |
715 | 705 | 356 | 351 | 100 | 56x2 |
| 750用 (コノ字ボルト4個付) |
885 | 868 | 441 | 433 | 100 | 89x2 |
| 900用 (コノ字ボルト4個付) |
1025 | 1006 | 506 | 503 | 100 | 118x2 |
※表は横にスクロールできます









